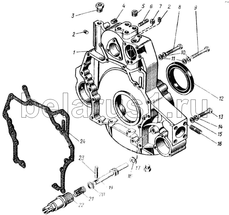
Каталог запасных частей к технике: ЯМЗ-8423. Картер маховика

1
2
2
3
4
5
6
7
8
9
10
11
12
13
14
15
16
17
18
19
20
21
22
23
24
Позиция на иллюстрации | Заводской номер детали | Название детали | |
---|---|---|---|
8423.1002310-20 | 8423.1002310-20 | Картер маховика в сборе | |
1 | 8423.1002312-20 | Картер маховика | |
2 | 45 9931 1201 | Пробка | |
3 | 316615-П29 | Ввертыш | |
4 | 316621-П29 | Ввертыш | |
5 | 316620-П29 | Ввертыш | |
6 | 216564-П29 | Шпилька | |
7 | 45 9931 1104 | Пробка | |
8 | 200467-П29 | Болт | |
9 | 200471-П29 | Болт | |
10 | 252136-П2 | Шайба 10 пружинная | |
11 | 252006-П29 | Шайба плоская | |
12 | 840.1005160 | Манжета задняя в сборе | |
13 | 200404-П29 | Болт | |
14 | 252137-П2 | Шайба пружинная | |
15 | 252007-П29 | Шайба плоская | |
16 | 216626-П29 | Шпилька | |
17 | 316172-П2 | Пробка | |
18 | 312766-П | Прокладка | |
19 | 840.1005442 | Фиксатор маховика | |
20 | 238Н-1722063 | Кольцо уплотнительное | |
21 | 840.1005446 | Пружина фиксатора | |
22 | 840.1005444 | Корпус фиксатора | |
23 | 313412-П29 | Штифт | |
24 | 8423.1002314 | Прокладка |
Содержащиеся в справочниках-каталогах запасные части и детали не предлагаются к продаже, а носят исключительно информационный характер