Каталог запасных частей к технике: Гомсельмаш КПР-6. Привод режущего аппарата

1
2
3
4
5
6
7
7
7
7
7
7
8
9
10
10
10
10
11
12
12
12
12
12
12
12
12
13
14
15
15
15
15
15
15
15
15
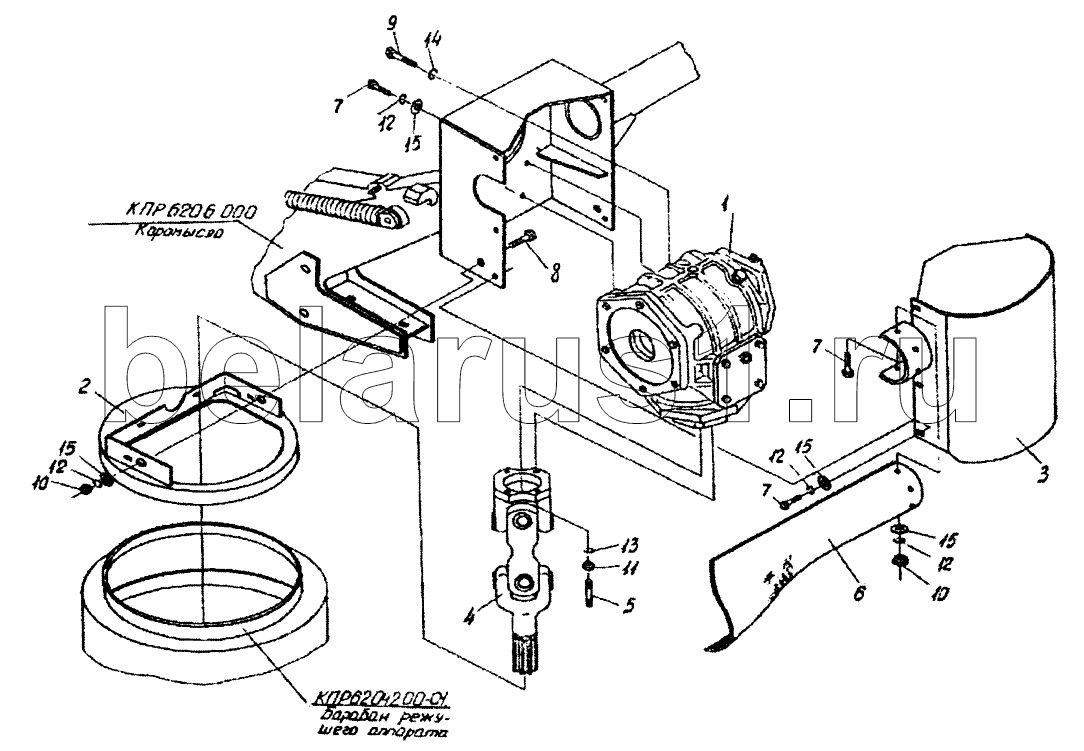
Позиция на иллюстрации | Заводской номер детали | Название детали | |
---|---|---|---|
КПР6215000-01 | КПР6215000-01 | Ограждение | |
1 | КПР6203050-01 | Редуктор | |
2 | КПР6214000 | Кожух | |
3 | КПР6215010-01 | Колпак | |
4 | КПР6550000 | Вал карданный | |
5 | КПР6200606 | Шпилька | |
6 | КПР6215001 | Пластина | |
7 | [Болт М8-6gх20-7796] | Болт М8-6gх20-7796 | |
7 | [Болт М8-6gх20-7796] | Болт М8-6gх20-7796 | |
8 | [Болт М8-6gх25-7796] | Болт М8-6gх25-7796 | |
9 | [Болт М16-6gх30-7796] | Болт М16-6gх30-7796 | |
10 | [Гайки М8-6g-5915] | Гайки М8-6g-5915 | |
10 | [Гайки М8-6g-5915] | Гайки М8-6g-5915 | |
11 | [Гайки М10-6g-5915] | Гайки М10-6g-5915 | |
12 | [Шайба 8.65Г-6402] | Шайба 8.65Г-6402 | |
12 | [Шайба 8.65Г-6402] | Шайба 8.65Г-6402 | |
13 | [Шайба 10.65Г-6402] | Шайба 10.65Г-6402 | |
14 | [Шайба 16.65Г-6402] | Шайба 16.65Г-6402 | |
15 | [Шайба А8.01-6958] | Шайба А8.01-6958 | |
15 | [Шайба А8.01-6958] | Шайба А8.01-6958 |
Содержащиеся в справочниках-каталогах запасные части и детали не предлагаются к продаже, а носят исключительно информационный характер