Каталог запасных частей к технике: ЛТЗ-55. Гидроусилитель

Т30-3405010-Е-01
1
2
3
4
5
6
7
8
9
10
11
12
13
14
15
16
17
18
19
20
21
22
22
23
24
25
26
26
27
28
29
30
31
32
33
34
35
36
37
38
39
40
41
42
43
44
45
46
47
48
49
50
51
52
53
54
55
56
57
58
58
59
60
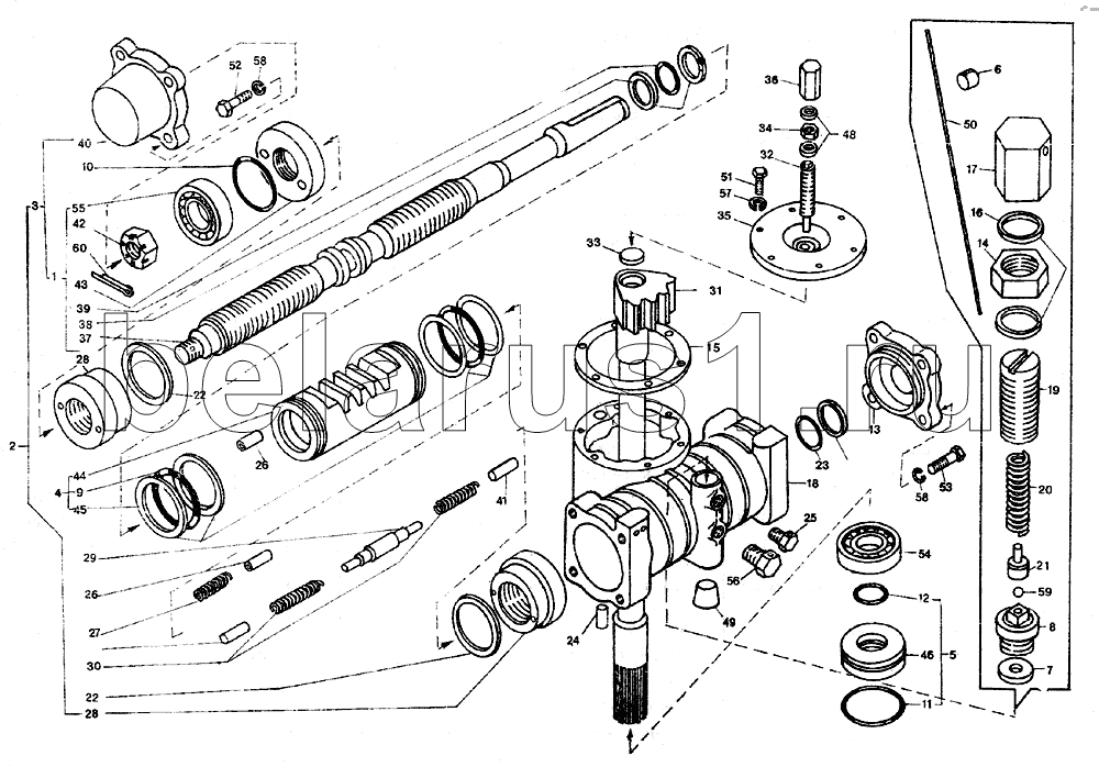
Позиция на иллюстрации | Заводской номер детали | Название детали | |
---|---|---|---|
Т30-3405010-Е-01 | Т30-3405010-Е-01 | Гидроусилитель | |
1 | Т30-3405001 | Винт с гайками | |
2 | Т30-3405050-В | Винт с поршнем | |
3 | Т30-3405070-В1 | Винт | |
4 | Т30-3405090-5 | Поршень | |
5 | Т30-3405120 | Корпус уплотнений | |
6 | Т40-8402180 | Пломба | |
7 | Р40/75-0808047 | Шайба уплотнительная | |
8 | Р40/75-0808063-А | Гнездо предохранительного клапана | |
9 | Ц75-1111043 | Кольцо уплотнительное поршня | |
10 | Ц75-1111045 | Кольцо уплотнительное | |
11 | Т25-3401013 | Кольцо уплотнительное | |
12 | Т25-3401086 | Кольцо уплотнительное | |
13 | Т30-3405014-В1 | Крышка | |
14 | Т30-3405016 | Гайка | |
15 | Т30-3405017-Б | Прокладка | |
16 | Т30-3405018 | Прокладка | |
17 | Т30-3405019-Б | Колпачок | |
18 | Т30-3405022-В | Корпус гидроусилителя | |
19 | Т30-3405023 | Винт регулировочный | |
20 | Т30-3405024 | Пружина предохранительного клапана | |
21 | Т30-3405025 | Направляющая предохранительного клапана | |
22 | Т30-3405026 | Шайба пружинная | |
23 | Т30-3405046-Б | Кольцо подпорное | |
24 | Т30-3405047-01 | Штифт L=36 мм | |
25 | Т30-3405048 | Пробка коническая | |
26 | Т30-3405051-Б | Штифт | |
27 | Т30-3405052-А | Пружина | |
28 | Т30-3405055-В | Гайка | |
29 | Т30-3405056-Г | Золотник | |
30 | Т30-3405057-Б1 | Пружина золотника | |
31 | Т30-3405061-В | Вал сошки с сектором | |
32 | Т30-3405062-Б1 | Винт регулировочный | |
33 | Т30-3405063 | Шайба упорная регулировочного винта | |
34 | Т30-3405067 | Гайка | |
35 | Т30-3405068-Б3 | Крышка корпуса | |
36 | Т30-3405069-Б | Колпачок | |
37 | Т30-3405071-Г | Винт гидроусилителя | |
38 | Т30-3405073-Б | Прокладка уплотнения винта | |
39 | Т30-3405074 | Кольцо | |
40 | Т30-3405078-В1 | Крышка передняя | |
41 | Т30-3405079 | Упор | |
42 | Т30-3405081-Б | Гайка прорезная | |
43 | Т30-3405082-Б | Гайка подшипника | |
44 | Т30-3405091-Д | Поршень | |
45 | Т30-3405092-Б | Кольцо уплотнительное поршня | |
46 | Т30-3405121 | Корпус уплотнений | |
47 | А37398 | Кольцо | |
48 | Д18055-А | Кольцо уплотнительное | |
49 | ПР-18 | Пробка | |
50 | 0,8-0-С | Проволока L=200 мм | |
51 | М8-6gх25.88.019 | Болт | |
52 | М12-6gх30.88.019 | Болт | |
53 | М12-6gх35.88.019 | Болт | |
54 | 207 | Заказать | Подшипник |
55 | 304АК | Подшипник | |
56 | КГ1/4".А12.079 | Пробка | |
57 | 8Т65Г06 | Шайба | |
58 | 120Т65Г06 | Шайба | |
59 | 5,556-40 | Шарик | |
60 | 4х40.019 | Шплинт |
Содержащиеся в справочниках-каталогах запасные части и детали не предлагаются к продаже, а носят исключительно информационный характер