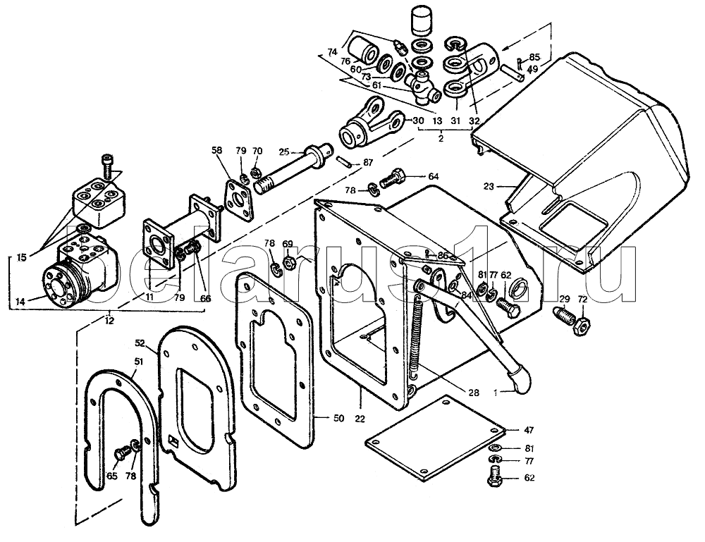
Каталог запасных частей к технике: ЛТЗ-55. Колонка рулевая

Т40М1-3401400
1
2
11
12
13
14
15
22
23
25
28
29
30
31
32
47
49
50
51
52
58
60
61
62
62
64
65
66
69
70
72
73
74
76
77
77
78
78
78
79
79
81
81
84
85
86
87
Позиция на иллюстрации | Заводской номер детали | Название детали | |
---|---|---|---|
Т40М1-3401400 | Т40М1-3401400 | Колонка рулевая (гидромеханическая) | |
1 | Т40М1-3401020 | Фиксатор | |
2 | Т40М1-3401050 | Кардан | |
11 | Т40S1-3401490 | Переходник со шпильками | |
12 | Т40S1-3405070 | Насос-дозатор с блоком клапанов | |
13 | К005-01 | Крестовина кардана | |
14 | 150-0040 | Насос-дозатор ОSР В80 ОN | |
15 | 152-0015 | Блок клапанов | |
22 | Т40S1-3401410 | Корпус | |
23 | Т40М1-3401420-01 | Кожух | |
25 | Т40S1-3401430 | Вал промежуточный | |
28 | 50-1605152 | Заказать | Пружина |
29 | Т40М1-3401011 | Ось | |
30 | Т40М1-3401017 | Вилка | |
31 | Т40М1-3401052 | Вилка | |
32 | Т40М1-3401053 | Кольцо | |
47 | Т40М1-3401403 | Крышка | |
49 | Т40М1-3401407 | Ось | |
50 | Т40М1-3401408 | Прокладка | |
51 | Т40S1-3401456 | Накладка | |
52 | Т40S1-3401457 | Уплотнение | |
58 | Т40S1-3401491 | Прокладка | |
60 | Н.051.01.401 | Корпус уплотнителя | |
61 | Н.051.01.606-А | Крестовина | |
62 | М6-6gх16.88.019 | Болт | |
64 | М8-6gх20.88.019 | Болт | |
65 | М8-6gх30.88.019 | Болт | |
66 | М10-6gх20.88.019 | Болт | |
69 | М8-6Н.6.019 | Гайка | |
70 | М10-6Н.6.019 | Гайка | |
72 | М20х1,5-6Н.8.019 | Гайка | |
73 | 010-014-25-2-2 | Заказать | Кольцо |
74 | 1.1.В1 | Масленка | |
76 | 904700УС17 | Подшипник | |
77 | 6Т65Г06 | Шайба | |
78 | 8Т65Г06 | Шайба | |
79 | 100Т65Г06 | Шайба | |
81 | А.6.01.08кп.019 | Шайба | |
84 | А.14.02.019 | Шайба | |
85 | 3,2х18.019 | Шплинт | |
86 | 3,2х20.019 | Шплинт | |
87 | 2.8х30 | Штифт |
Содержащиеся в справочниках-каталогах запасные части и детали не предлагаются к продаже, а носят исключительно информационный характер