Каталог запасных частей к технике: МТЗ-100. Коробка передач (вариант 1)

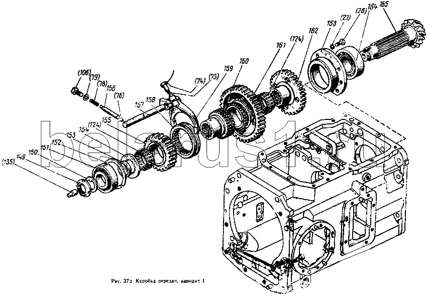
149
150
151
152
153
154
155
156
157
158
159
160
161
162
163
164
Позиция на иллюстрации | Заводской номер детали | Название детали | |
---|---|---|---|
80-1701050 | 80-1701050 | Вал 80-1701252 в сборе | |
80-1701200 | 80-1701200 | Шестерня в сборе | |
80-1701310 | 80-1701310 | Стакан со штуцером и трубкой в сборе | |
80-1701380 | 80-1701380 | Поршень с шариком в сборе | |
80-1700010 | 80-1700010 | Коробка передач в сборе | |
86-1700010 | 86-1700010 | Коробка передач | |
85-1700010 | 85-1700010 | Коробка передач | |
82-1700010 | 82-1700010 | Коробка передач | |
80-1701140 | 80-1701140 | Гнездо с валом и подшипником в сборе | |
80-1701520 | 80-1701520 | Вал в сборе | |
80-1701320 | 80-1701320 | Вал в сборе | |
149 | 80-1701045 | Заказать Заказать | Гайка |
150 | 80-1701056 | Заказать | Шайба |
151 | 7310 | Заказать Заказать Заказать Заказать | Подшипник |
152 | 80-1701256 | Кольцо | |
153 | 80-1701254 | Заказать | Шайба |
154 | 80-1701345 | Заказать | Шайба |
155 | 80-1701314 | Шестерня | |
156 | 85-1702048 | Штифт | |
157 | 85-1702037 | Поводок | |
158 | 80-1701316 | Муфта | |
159 | 85-1702029 | Вилка | |
160 | 80-1701348 | Заказать | Втулка |
161 | 80-1701312 | Шестерня | |
162 | 80-1701313 | Шестерня | |
163 | 80-1701141 | Гнездо | |
164 | У7712м | Подшипник | |
165 | 80-1701252 | Вал |
Содержащиеся в справочниках-каталогах запасные части и детали не предлагаются к продаже, а носят исключительно информационный характер