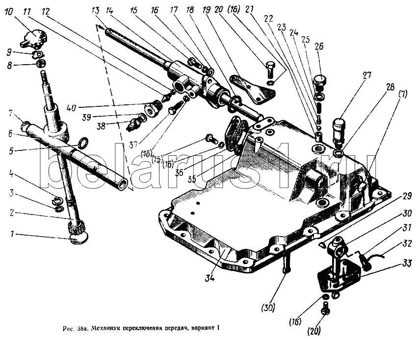
Каталог запасных частей к технике: МТЗ-100. Механизм переключения передач (вариант 1)

1
2
3
4
5
6
7
7
8
9
10
11
12
13
14
15
15
16
16
16
16
16
17
18
19
20
20
21
22
23
24
25
26
27
28
29
30
30
31
32
33
34
35
36
37
38
39
40
Позиция на иллюстрации | Заводской номер детали | Название детали | |
---|---|---|---|
85-1702010 | 85-1702010 | Крышка в сборе | |
1 | 50-005 | Заглушка | |
2 | 85-1702040 | Рычаг | |
3 | 020-025-30-1-4 | Кольцо | |
4 | 2Б25 | Кольцо | |
5 | 030-034-25-1-4 | Заказать | Кольцо |
6 | 85-1702020 | Корпус | |
7 | 28-005 | Заглушка | |
8 | М12х1,25 | Гайка | |
9 | 70-1703028 | Шайба | |
10 | А13.24.000 | Рукоятка | |
11 | 85-1702058 | Упор | |
12 | ШП8 | Шайба | |
13 | 85-1702053 | Вал | |
14 | 85-1702056 | Фланец | |
15 | М10х30 | Болт | |
16 | ШП10 | Шайба | |
17 | ШЧ10 | Шайба | |
18 | 044-048-25-1-4 | Кольцо | |
19 | 85-3503046 | Кронштейн | |
20 | 4М10х25 | Болт | |
21 | 70-1703013 | Втулка | |
22 | 9,922 | Шарик | |
23 | 80-1704039 | Заказать | Направляющая |
24 | 50-1702138-А | Пружина | |
25 | Д09-035-А | Прокладка | |
26 | 50-1404075 | Пробка | |
27 | 85-1702270 | Заказать | Сапун |
28 | В50-3522023 | Прокладка | |
29 | 6х10 | Заклепка | |
30 | 85-1702055 | Заказать | Рычаг |
31 | 80-1702108 | Заказать | Болт |
32 | 1,6-0-6 | Проволока | |
33 | 85-1702052 | Кулиса | |
34 | 85-1702025 | Крышка | |
35 | 85-1702095 | Прокладка | |
36 | 85-1702094 | Крышка | |
37 | 52-2308076-01 | Болт | |
38 | ВК-418 | Выключатель | |
39 | 50-1702048 | Прокладка | |
40 | 85-1702057 | Заглушка |
Содержащиеся в справочниках-каталогах запасные части и детали не предлагаются к продаже, а носят исключительно информационный характер