Аркадак
Эль-Монте ваш город?
Да
Выбрать другой город
Написать в
WhatsApp
Написать в
Telegram
Каталог

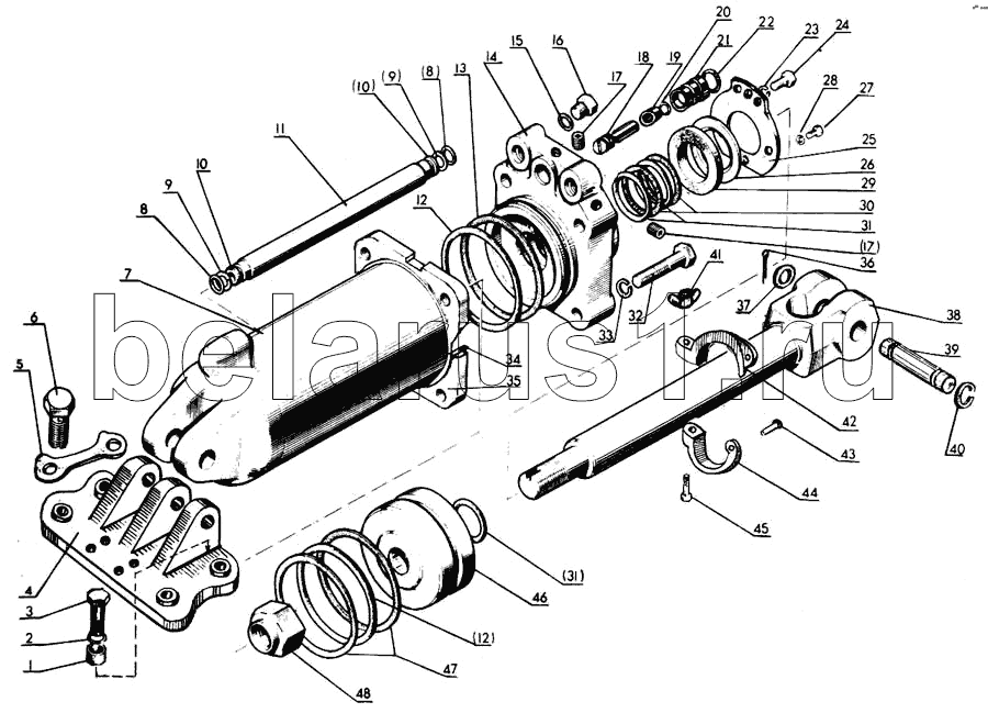
Каталог запасных частей к технике: МТЗ-80. Цилиндр Ц100x200

zoom-in zoom-out enlarge shrink circle-right circle-left file-text2 info cart
1
2
3
4
5
6
7
8
8
9
9
10
10
11
12
12
13
14
15
16
17
17
18
19
20
21
22
23
24
25
26
27
28
29
30
31
31
32
33
34
35
36
37
38
39
40
41
42
43
44
45
46
47
48
Позиция на иллюстрации Заводской номер детали Название детали
Ц100х200-3 Ц100х200-3 Цилиндр
1 70-4605041 Заказать Втулка
2 20.01.019 ГОСТ 11371-78 Шайба
3 70-4605036-01 Заказать Болт
4 70-4605017-А Заказать Кронштейн
5 70-4605034 Пластина
6 70-4605036 Заказать Болт
7 Ц100х200.007-01 Корпус цилиндра
8 Кольцо 016-021-30-2-3 ГОСТ 9833-73 Кольцо 016-021-30-2-3 ГОСТ 9833-73
9 Ц100х200.053 Кольцо защитное
10 Ц90-1212027 Шайба
11 Ц100х200.026 Маслопровод
12 Ц100-1313043 Кольцо
13 Ц100-1313042 Кольцо защитное
14 Ц100х200.021-01 Крышка
15 Кольцо 018-022-25-2-2 ГОСТ 9833-73 Кольцо 018-022-25-2-2 ГОСТ 9833-73
16 Ц50х160.061 Заглушка
17 Ц90-1212056 Заглушка 1/4"
18 Ц90-1212004-А Клапан с уплотнением
19 Ц90-1212034 Втулка
20 Ц90-1212047 Кольцо
21 Ц90-1212033-А Корпус клапана
22 Ц90-1212046 Кольцо
23 Шайба 8Т 65Г ГОСТ 6402-70 Шайба 8Т 65Г ГОСТ 6402-70
24 Болт М8-6gх16.88.019 ГОСТ 7796-70 Болт М8-6gх16.88.019 ГОСТ 7796-70
25 Ц100х200.035-А Крышка чистиков
26 Ц80х200.036 Скребок
27 Болт М6gх14.88.35.019 ГОСТ 7796-70 Болт М6gх14.88.35.019 ГОСТ 7796-70
28 Шайба 6Т 65Г ГОСТ 6402-70 Шайба 6Т 65Г ГОСТ 6402-70
29 Ц80х200.037 Манжета
30 Ц100х200.056 Кольцо
31 Ц110-1414044 Кольцо
32 Болт М16-6gх80.88.35.019 ГОСТ 7796-70 Болт М16-6gх80.88.35.019 ГОСТ 7796-70
33 Шайба 16Т 65Г ГОСТ 6402-70 Шайба 16Т 65Г ГОСТ 6402-70
34 Ц100х200.065 Кольцо стопорное
35 Ц100х200.025-1 Фланец
36 Шплинт 5х36 ГОСТ 397-79 Шплинт 5х36 ГОСТ 397-79
37 70-4619042 Шайба
38 Ц100х200.003-1 Шток
39 Ц90-1212037-М Палец
40 50-3406022 Кольцо
41 Ц90-1212031-А Гайка-барашек
42 Ц110-1414028-Б Упор
43 Ц90-1212030 Палец упора
44 Ц110-1414029-Б Полукольцо упора
45 Болт М6-6gх35.88.35.019 ГОСТ 7796-70 Болт М6-6gх35.88.35.019 ГОСТ 7796-70
46 Ц100-1313023-Г Поршень
47 Ц100х200.055 Кольцо
48 Ц100х200.064 Гайка
Содержащиеся в справочниках-каталогах запасные части и детали не предлагаются к продаже, а носят исключительно информационный характер